DC-DC Converter
Product Overview :
The LDB series bidirectional DCDC converter is a programmable IGBT switching power supply equipment used in new energy, flow battery charge and discharge testing (supporting 0V pre-charge), DC uninterrupted power supply systems, power electronics testing, hybrid vehicles and other fields.
The bidirectional DCDC converter adopts the classic BUCK/BOOST step-up/step-down chopper circuit topology,with bidirectional transformation function for voltage step-up/step-down, enabling energy to flow in both directions. 。With advanced interleaved control technology, it features low ripple current and high output power quality. For DC voltage: DC≤1200V, a two-level circuit topology is adopted; for DC voltage: 1200V<DC≤1500V, a three-level circuit topology is adopted.
Bidirectional DCDC Converter with Constant Voltage, Constant Current, and Constant Power Operation Modes, Supporting Parallel Operation. Touchscreen serves as the Human-Machine Interface, integrating display and control functions. Real-time display of operation data, status information, and fault information, with historical fault information query function (capable of storing 200,000 records). Optional DC energy meter provides accurate DC energy statistics (accuracy class 0.2).


Technical Features:
Bi-directional buck-boost conversion with dual-directional energy flow
Support for constant current, constant power and constant voltage parallel operation, with droop control algorithm
Advanced interleaving control technology for low output ripple current
Protection against reverse connection, over/under voltage, overcurrent, and overheating
Color touch screen with Chinese/English switching, integrated display and control, real-time operation dataClear at first glance


Typical applications:
energy storage and conversion system, photovoltaic-energy storage-direct-current-flexible system (common DC bus), battery voltage conversion, etc.
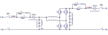
Electrical Schematic Diagram - Two-level Boost or Buck Topology


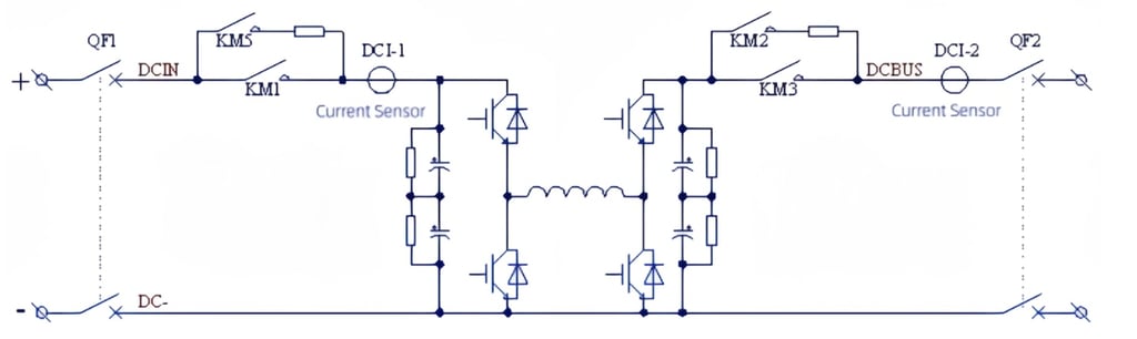
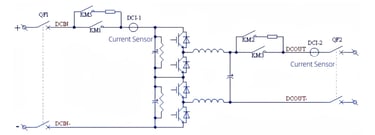
Electrical Schematic Diagram - Two-level Buck-Boost Topology


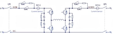
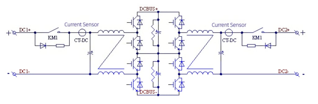
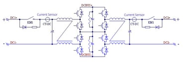
Electrical Schematic Diagram - Three-level Buck-Boost Topology


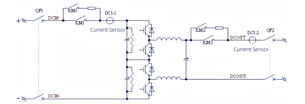
Electrical Schematic Diagram - Three-level Buck-Boost Topology


Typical Application Topology Diagram--- DCDC*n + PCS*1


Technical Parameters and Selection


