Hydro Power Grid Converter
Product Overview:
The LNGC series hydraulic grid-connected converter is the core power electronic device connecting hydraulic generators to the power grid,undertake power conversion , control, and grid integration adaptation key task 。Its core function is to convert the non-power frequency and unstable electrical energy output by hydraulic generators into high-quality alternating current synchronized with grid frequency and voltage, while achieving power optimization and harmonic suppression, ensuring efficient and safe grid-connected operation of hydraulic power generation systems.
The characteristics of hydro power grid-connected converters include efficient power conversion, high reliability, wide input voltage range, precise grid synchronization, comprehensive protection functions, advanced control technology, and optimized power quality. These features ensure stable operation and efficient energy conversion of hydroelectric power systems.
Typical applications:grid-connected power generation of small and medium-sized hydropower stations, distributed hydropower systems, and hybrid energy complementary systems.


Technical Features:
High Efficiency Conversion
Optimized circuit topology and control algorithm for efficient conversion
Minimizes energy loss
Maintains high conversion efficiency under different loads and operating conditions
Multiple Protection Functions
Input reverse connection protection
Input undervoltage protection
Input overvoltage protection
Output overvoltage protection
Output overload protection
Overheat protection
Display and Settings
Color LCD touch screen for displaying various operating parameters
Adjustable settings for relevant parameters
Communication Capabilities
Equipped with standard RS232/485 communication interfaces
Facilitates remote communication and control


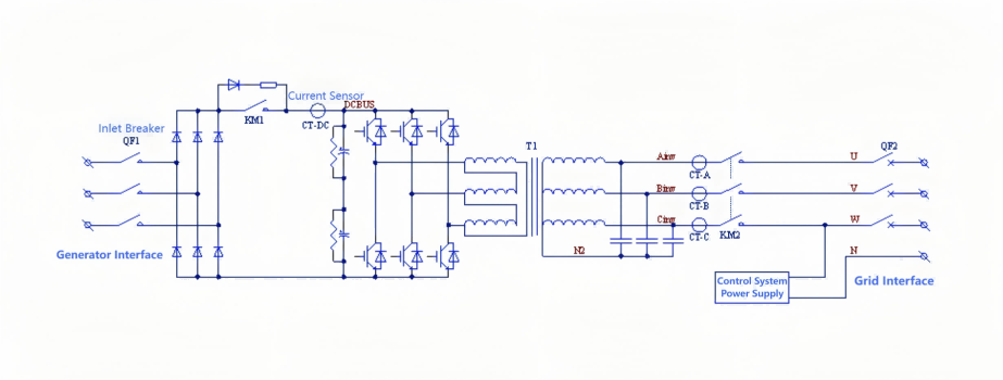
Power Frequency Hydro Power Grid-connected Converter Schematic Diagram


Technical Parameters and Selection


