MPPT Controller
Product Overview:
The LMSC series MPPT controller converts solar energy into DC power through the photoelectric effect of solar panel arrays and stores it in batteries. It is a step-up/step-down programmable IGBT switching power supply device.The MPPT controller can accommodate various energy storage systems including lead-acid batteries, lithium batteries, flow batteries (supporting 0V pre-charge), and supercapacitors. It offers multiple communication interfaces such as RS485, TCP/IP, and CAN, supporting standard Modbus communication protocol for remote monitoring. Optional WIFI and GPRS communication modules are available, allowing users to download smart terminal apps on mobile or PC devices for 24/7 real-time monitoring of operational data and alarm information without leaving home.


Typical applications:
Photovoltaic energy storage system, PV-storage direct flexible system (common DC bus), photovoltaic hydrogen production, etc.
Technical Features:
Efficient MPPT control algorithm with MPPT efficiency not lower than 99%.
Supports constant voltage, constant current, and constant power charging, with parallel connection capability.
Advanced interleaved control technology for low ripple current, extending battery life.
Protection against reverse connection, over/under voltage, overcurrent, and overheating.
Color touchscreen with Chinese/English switching, integrated display and control, providing clear operation data at a glance.


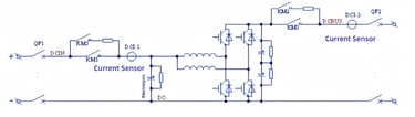
Electrical Schematic Diagram-Two-level step-up or step-down topology


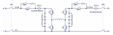
Electrical Schematic Diagram-Two-level buck-boost topology


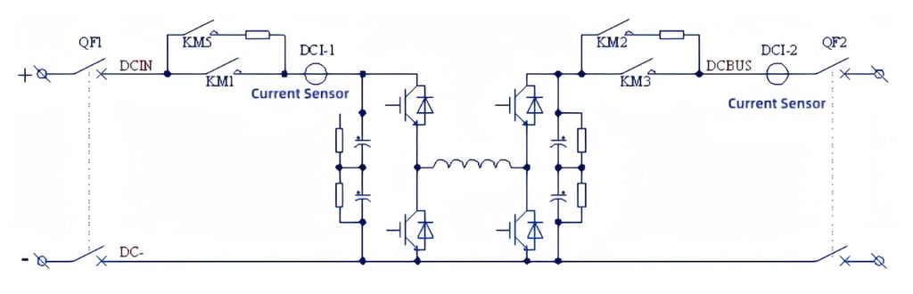
Electrical Schematic Diagram-Three-level boost or buck topology


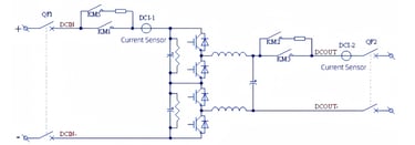
Electrical Schematic Diagram-Three-level Buck-Boost Topology


Technical Parameters and Selection


