Photovoltaic MPPT controller


Product Overview
The LMSC series PV MPPT controller converts solar energy into DC power through the photoelectric effect of solar panel arrays and stores it in batteries. It is a step-up/step-down programmable IGBT switching power supply device.The PV MPPT controller can accommodate various energy storage systems including lead-acid batteries, lithium batteries, flow batteries (supporting 0V pre-charge), and supercapacitors. It offers multiple communication interfaces such as RS485, TCP/IP, and CAN, supporting standard Modbus communication protocol for remote monitoring. Optional WIFI and GPRS communication modules are available, allowing users to download smart terminal apps on mobile or PC devices for 24/7 real-time monitoring of operational data and alarm information without leaving home.
Typical applications:
photovoltaic energy storage system, PV-storage direct flexible system (common DC bus), photovoltaic hydrogen production, etc.
Electrical Schematic Diagram-Two-level step-up or step-down topology


Electrical Schematic Diagram-Two-level buck-boost topology


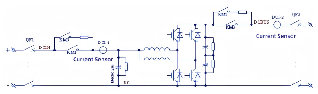
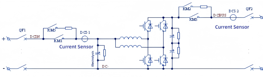
Electrical Schematic Diagram-Three-level boost or buck topology


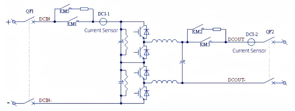
Electrical Schematic Diagram-Three-level Buck-Boost Topology


Technical Parameters and Selection


