Power Conversion System
Product Overview :
The LNBI series energy storage converters are high-power factor, high-precision programmable IGBT switching power supply equipment applied in smart grids and smart microgrids. Designed for three-phase energy storage systems, these converters feature adaptive 50/60Hz grid frequency, DC-AC bidirectional conversion, four-quadrant SVPWM/SPWM technology, bi-directional energy flow, power factor up to 0.99 or higher, low grid harmonic pollution, and high power quality.
The energy storage converter can accommodate various energy storage forms including lead-acid batteries, lithium batteries, flow batteries, hydrogen fuel cells, and supercapacitors. It offers multiple communication interfaces such as RS485, TCP/IP, and CAN, supporting standard Modbus communication protocol for remote monitoring. Optional WIFI and GPRS communication modules are available, allowing users to download intelligent terminal APPs on mobile or PC devices for 24h/7days real-time monitoring of operational data and alarm information without leaving home.


Technical Features:
Four-quadrant operation with bi-directional energy flow and adaptive grid frequency (50/60Hz).
Adjustable output power factor (-0.8 leading to 1.0 to +0.8 lagging) with customizable reactive power compensation.
DC reverse connection protection, over/under voltage protection, overcurrent protection, and overheating protection.
Color touchscreen with bilingual (Chinese/English) switching, integrated display and control, providing clear operation data at a glance.
Typical applications:
peak shaving and valley filling, photovoltaic-energy storage-direct-flexible system, industrial and commercial energy storage, peak-valley arbitrage, etc.
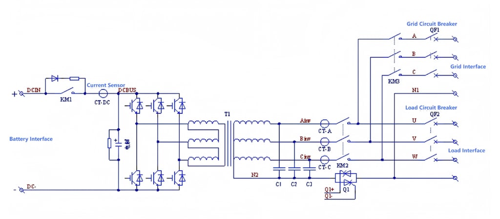
Electrical Schematic Diagram-High-frequency energy storage converter schematic diagram


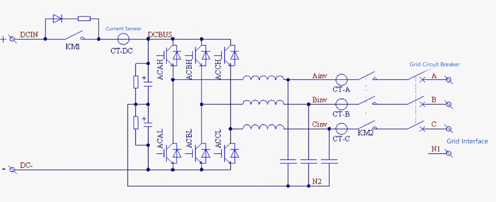
Electrical Schematic Diagram-Power Frequency Energy Storage Converter Schematic Diagram


Electrical Schematic Diagram-Single-phase output system topology diagram of PCS AC side (with external AC contactor)


Electrical Schematic Diagram-PCS Anti-Backflow System Topology Diagram


DCDC Power Conversion System (PCS) - Topology Diagram


Technical Parameters and Selection


