SOC Battery Equalizer
Product Overview :
The LNBE series SOC battery equalizer is a high-power factor, high-precision programmable IGBT switching power equipment applied in liquid flow energy storage power stations and liquid flow battery energy storage testing systems. Designed for three-phase power grids, the SOC battery equalizer features adaptive 50/60Hz grid frequency, employs DC-AC bidirectional conversion, four-quadrant SVPWM/SPWM technology, and allows bidirectional energy flow. It achieves a power factor of over 0.99, generates minimal grid harmonic pollution, and ensures high-quality power utilization.
The SOC battery equalizer can accommodate various energy storage types including lead-acid batteries, lithium batteries, flow batteries, and supercapacitors. It offers multiple communication interfaces such as RS485, TCP/IP, and CAN, supporting standard Modbus communication protocol for remote monitoring. Optional WIFI and GPRS communication modules are available, allowing users to download intelligent terminal APPs on mobile or PC devices for 24/7 real-time monitoring of operational data and alarm information without leaving home.


Technical Features:
Quadrant operation with bi-directional energy flow, adaptive to 50/60Hz power grid.
Adjustable output power factor (-0.8 leading to 1.0 to +0.8 lagging) with customizable reactive power compensation.
DC reverse connection protection, over/under voltage protection, overcurrent protection, and overheating protection.
Color touchscreen with Chinese/English switching, integrated display and control, real-time operation data (clear at a glance)
Typical applications:
SOC balancing between battery clusters, etc.


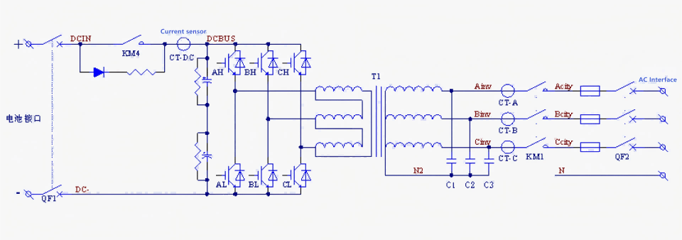
SOC Battery Balancer Schematic Diagram


Technical Parameters and Selection


