Wind Grid-Tied Inverter
Product Overview:
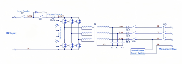
The grid-connected wind power inverter adopts a DSP-based fully digital control scheme, equipped with touch screen and remote monitoring interfaces (RS485/WiFi/GPRS), enabling parameter setting, power curve adjustment, and multi-terminal data interaction. It is built with a DC voltage regulation circuit, featuring boost-buck modulation function. The AC voltage generated by the wind turbine is first rectified by the turbine controller and then reaches the DC bus through the voltage regulation circuit. The inverter control circuit converts the DC bus voltage into pulse sequences with gradually varying pulse widths. The filter circuit filters and shapes the waveform to remove high-frequency harmonics, resulting in smooth sinusoidal AC output. The inverter utilizes grid synchronization (PLL) technology to real-time detect grid voltage phase and frequency, ensuring synchronization between the converter output and the grid. The grid-connected wind power inverter employs MPPT (Maximum Power Point Tracking) technology as its key control strategy. By dynamically adjusting the inverter output current, the converter can achieve maximum power output under various wind speed conditions.
The characteristics of wind grid-connected inverters include efficient power conversion, high reliability, wide input voltage range, precise grid synchronization, comprehensive protection functions, advanced control technology, and optimized power quality. These features ensure stable operation and efficient energy conversion of wind power systems.
Typical applications: household and small-scale wind power systems, large wind farms, distributed wind power systems, etc.




Technical Features:
High-Efficiency Conversion:
Optimized circuit topology and control algorithms ensure efficient conversion
Minimizes energy loss
Maintains high conversion efficiency under different loads and operating conditions
Comprehensive Protection:
Input reverse connection protection
Input undervoltage protection
Input overvoltage protection
Output overvoltage protection
Output overload protection
Overheat protection
Display and Settings:
Color LCD touch screen for displaying various operating parameters
Adjustable settings for relevant parameters
Communication Function:
Equipped with standard RS232/485 communication interfaces
Facilitates remote communication and control




Electrical Schematic Diagram - Grid-connected Wind Inverter at Power Frequency


Electrical Schematic Diagram - Wind Power High-Frequency Grid-Connected Inverter


Technical Parameters and Selection


